Loading
Technische Zeichnungen & Konstruktion, Automation, Teilefertigung und Beratungs - Dienstleistungen
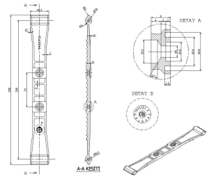
Technische Zeichnung: Mit 3-D werden die Fertigungszeichnungen der konstruierten Maschine bzw. Teile erstellt.
Konstruktion: Nach den Bedürfnissen des Kunden, wird die Maschine bzw. Teil konstruiert und vorhanden Konstruktion verbessert.
Über unsere Tätigkeitssfelder können Sie uns jederzeit anschreiben